【永利集团304官网新闻中心讯 食品与葡萄酒学院】近日,永利食品与葡萄酒学院刘贵珊教授团队在国际食品领域顶级期刊《Comprehensive Reviews in Food Science and Food Safety》(食品科学与工程领域,中科院1区TOP,影响因子15.786)发表题为“A Comprehensive Review of the Principles, Key Factors, Application, and Assessment of Thawing Technologies for Muscle Foods”的综述性论文。刘贵珊为通讯作者,2021级食品科学硕士研究生张远绿为第一作者。

图1 高压静电场解冻系统示意图

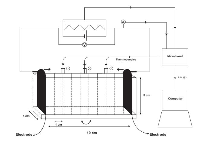
图2 实验室规模欧姆解冻系统示意图
近年来,基于压力、超声、电磁能和电场能等解冻技术得到了广泛的研究,其目的是减少肌肉食品在解冻过程中的汁液损失和减缓品质劣变。然而,现有的微波、超声、超高压、射频、高压静电场等解冻技术由于其高昂的生产成本和显著的技术缺陷,导致了在食品生产应用中的局限性。因此,亟需对影响肌肉食品解冻效果的关键因素进行全面剖析,系统地阐明解冻处理对其品质的影响。本文就新兴解冻技术的原理及关键因素进行了综述,重点讨论了解冻技术的联合应用效果评价。此外,从食用品质、微生物和化学稳定性的角度,系统地评估了解冻技术在肌肉食品上的应用效果。最后,分析了现有解冻技术的缺陷,并展望了回火技术在肌肉食品上的发展前景。
这是永利首次以第一单位在国际食品顶级期刊《Comprehensive Reviewsin Food Science and Food Safety》发表论文,也是国家级一流专业“食品科学与工程”的标志性成果之一,对提升永利集团304官网食品科学与工程学科在国际食品界的学术影响力具有积极意义。该项工作得到国家自然科学基金(31760435),宁夏回族自治区科技创新领军人才项目(2020GKLRLX05)和永利集团304官网研究生创新项目(CXXM202261)的资金支持。
文章链接:Zhang, Y., Liu, G., Xie, Q., Wang, Y., Yu, J., & Ma, X. (2022). A comprehensive review of the principles, key factors, application, and assessment of thawing technologies for muscle foods. Comprehensive Reviews in Food Science and Food Safety, 1–28. https://doi.org/10.1111/1541-4337.13064
(责任编辑:龚旭峰)